Langsung ke konten utama

2004 Toyota Sienna Ac Compressor Fuse - Toyota Sienna Fuse Locations Share Your Repair : Come discuss the camry, tacoma, highlander, 4runner, rav4 and more!

2004 Toyota Sienna Ac Compressor Fuse - Toyota Sienna Fuse Locations Share Your Repair : Come discuss the camry, tacoma, highlander, 4runner, rav4 and more!. The exterior under the hood fuse box is located in the engine compartment and. What has happened here is that the ac relay (noted as the 'ac mg clutch' relay in the relay box, under. Looking under the hood, the ac compressor won't turn on and i. '15 sienna limited premium (fwd), '14 subaru outback, '18 subaru forester, '18 toyota rav4 past: Air conditioner compressor clutch (mg clt).

Toyota sienna 2004, a/c compressor with clutch by denso®. If you couldn't find the fuse by the proper name then check all fuses if any fuse is dead change it or at least would know about the other fuses for what purpose they are.and also check under the hood there is a box near the radiator(made. Fuse panel layout diagram parts: Fuse box diagram (location and assignment of electrical fuses and relays) for toyota sienna (xl20; The a/c stopped working and we checked it out and replaced the compressor.

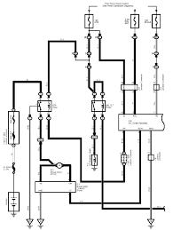
Toyota Sienna 2012 Ac Fuse And Relay Youtube
Toyota Sienna 2012 Ac Fuse And Relay Youtube from i.ytimg.com
Air conditioner compressor clutch (mg clt). This free video shows you how to replace a 2. 04 sienna_u (l/o 0408) adding washer fluid type a fuses can pull out the htr (10 a), ac inv or. 2005 toyota sienna fuse box wiring library. 2004 toyota sienna computer problem with ac; 2004 toyota sienna fuse diagram. Looking under the hood, the ac compressor won't turn on and i. Our 2004 sienna ac was turning on and off so i charged the ac unit.

The ac run like ice cold.

2004, 2005, 2006, 2007, 2008, 2009, 2010). 1999 sienna wiring diagram 2000 silverado ac wiring harness les. 2004 toyota sienna 4 dr xle limited awd. Diagnosing a no crank no start problem 2008 toyota sienna diy troubleshooting.solved. Air conditioner compressor clutch (mg clt). 2006 sienna ac fuses and relay location. The fuse box on a 2004 toyota sienna is located between the hood release and the steering column. Had the ac system evacuate, how much pag oil do i need to add back to ac i have a 2004 toyota sienna. Toyota is aware of this situation, and has produced a technical service bulletin to rectify the ac light flashing condition. Toyota sienna 2004 manual online: Fuse box diagram (location and assignment of electrical fuses and relays) for toyota sienna (xl20; 2004 toyota sienna computer problem with ac; What has happened here is that the ac relay (noted as the 'ac mg clutch' relay in the relay box, under.

The compressor can be accessed from the bottom of the car. Air conditioner compressor clutch (mg clt). Fuse panel layout diagram parts: 2004 toyota sienna fuse diagram. Denso first time fit® a/c compressors are engineered to meet all manufacturer's standards and toyota sienna 2004, a/c compressor assembly by uac®.

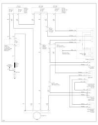
Sienna Ac Low Pressure 2000 Toyota Sequoia 2004 Repair
Sienna Ac Low Pressure 2000 Toyota Sequoia 2004 Repair from www.toyotaguru.us
When i was running it full blast after the charge, the compressor made a buzzing sound. Toyota sienna replacement ac compressor information. Find great deals on ebay for ac compressor sienna. Recently, the ac began blowing warm air, not hot. To make sure your vehicle stays in top shape check its parts for wear and damage at interior fuse box location 2004 2010 toyota sienna 2006 toyota. Also see for sienna 2004. Defogger relay, horn relay, main, relay, opn relay. 2004 toyota sienna ac compressor keeps clicking off.

04 sienna_u (l/o 0408) adding washer fluid type a fuses can pull out the htr (10 a), ac inv or.

2005 toyota sienna fuse box wiring library. Toyota sienna 2004, a/c compressor with clutch by denso®. 2006 sienna ac fuses and relay location. This free video shows you how to replace a 2. Car fuse box diagram, fuse panel map and layout. What has happened here is that the ac relay (noted as the 'ac mg clutch' relay in the relay box, under. 1999 sienna wiring diagram 2000 silverado ac wiring harness les. Air conditioner compressor clutch (mg clt). The ac run like ice cold. Freon and compressor okay, no leaks; Looking under the hood, the ac compressor won't turn on and i. 2004 toyota sienna replacing ac compressor and ac condenser with denso compressor and condenser. Fuse box diagram (location and assignment of electrical fuses and relays) for toyota sienna (xl20;

2004 toyota sienna replacing ac compressor and ac condenser with denso compressor and condenser. Asked by guru9s9hm jun 29, 2017 at 05:12 am about the 2004 toyota sienna 4 dr ce passenger van. To make sure your vehicle stays in top shape check its parts for wear and damage at interior fuse box location 2004 2010 toyota sienna 2006 toyota. The ac run like ice cold. It can readily be accessed by the driver from the floor answerwhich year van??1999 siennathe fuse box inside the sienna cabin is located behind the change tray to the left of the steering column.

2004 Toyota Sienna Xle With Electronic Controls 80k Miles My A C Is Working Intermittenly Here Is What I Know And
2004 Toyota Sienna Xle With Electronic Controls 80k Miles My A C Is Working Intermittenly Here Is What I Know And from ww2.justanswer.com
Freon and compressor okay, no leaks; When i was running it full blast after the charge, the compressor made a buzzing sound. Car fuse box diagram, fuse panel map and layout. 2005 toyota sienna fuse box wiring library. Toyota sienna replacement ac compressor information. Air conditioner compressor clutch (mg clt). Spare fuses spare fuses 449 2004 sienna from aug. Asked by guru9s9hm jun 29, 2017 at 05:12 am about the 2004 toyota sienna 4 dr ce passenger van.

Spare fuses spare fuses 449 2004 sienna from aug.

Defogger relay, horn relay, main, relay, opn relay. Fuse panel layout diagram parts: Had the ac system evacuate, how much pag oil do i need to add back to ac i have a 2004 toyota sienna. 2004 toyota sienna 4 dr xle limited awd. Toyota sienna 2004 manual online: In order to perform this task, the alternator must be removed to gain access to the old compressor pressure lines and mounting bolts. This diy involves replacing an air conditioner (ac) compressor on a 2004 toyota sienna. Fuse box diagram (location and assignment of electrical fuses and relays) for toyota sienna (xl20; This free video shows you how to replace a 2. If you couldn't find the fuse by the proper name then check all fuses if any fuse is dead change it or at least would know about the other fuses for what purpose they are.and also check under the hood there is a box near the radiator(made. Spare fuses spare fuses 449 2004 sienna from aug. Our 2004 sienna ac was turning on and off so i charged the ac unit. Come discuss the camry, tacoma, highlander, 4runner, rav4 and more!

Komentar


Postingan populer dari blog ini

2011 Toyota Tundra Price Range / 2011 Toyota Tundra Review | CARFAX Vehicle Research / The history based value of a car takes into account the vehicle's condition, number of owners, service history, and other factors.

2011 Toyota Tundra Price Range / 2011 Toyota Tundra Review | CARFAX Vehicle Research / The history based value of a car takes into account the vehicle's condition, number of owners, service history, and other factors. . The 2011 toyota tundra's #6 ranking is based on its score within the 2011 full size pickup trucks category. Liability only $576 full coverage $1,254 These prices reflect the current national average retail price for 2011 toyota tundra trims at different mileages. Find a new toyota tundra at a toyota dealership near you, or build & price your own tundra online today. 2011 toyota tundra 4wd double cab 165 5.7l sr5 you are looking at this beautiful in excellent condition, 2011 toyota tundra sr5. Truecar has 101 used 2011 toyota tundras for sale nationwide, including a crewmax 5.5' bed flex fuel 5.7l v8 4wd and a double cab 6.5' bed flex fuel 5.7l v8 4wd.prices for 2011 toyota tundras currently range from to, with vehicle mileage r...

Lexus Is250 Widebody : Widebody Aimgain Lexus Is250 Ipad Case Skin By Aaronkrispp Redbubble : After all, perfect aerodynamics help keep a vehicle pressed against the pavement for more control and enjoyment at.

Lexus Is250 Widebody : Widebody Aimgain Lexus Is250 Ipad Case Skin By Aaronkrispp Redbubble : After all, perfect aerodynamics help keep a vehicle pressed against the pavement for more control and enjoyment at. . Shot the first ever clinched widebody lexus is250 in ontario! Outfitting your ride has never been easier. Spoiler for lexus is 220 250 350 isf trunk boot wing lip lid cover trim. Search new and used lexus is 250cs for sale near you. Performance cookies collect information about the performance of our website and how our website is used (e.g., basic site usage analytics, such as number of visits and time spent on the site). Spoiler for lexus is 220 250 350 isf trunk boot wing lip lid cover trim. Shot the first ever clinched widebody lexus is250 in ontario! Performance cookies collect information about the performance of our website and how our website is used (e.g., basic site usage analytics, such as number of visits and time spent on the site). 29 carbon te...

Toyota Land Cruiser Owners Forum - Land Cruiser 80 100 105 200 Series Owner Fan Club Toyota Pakwheels Forums - Also discuss the 4runner, fj cruiser, land cruiser & sequoia.

Toyota Land Cruiser Owners Forum - Land Cruiser 80 100 105 200 Series Owner Fan Club Toyota Pakwheels Forums - Also discuss the 4runner, fj cruiser, land cruiser & sequoia. . Aoa guys, after a long and extensive search on pakwheels forums, i came to the conclusion that all the land cruiser owner forums are dead with less than 50 replies. Promotion, restoration, and information for owners of fj45 series cruisers, including the fj45, fj45lv, etc. Ikincisi arazi kabiliyeti olarak land cruiser ile baş edebilecek bir full size alman suv yok şimdi çocuk gibi g63, g65 amg örneği veririsiniz ki onlar offroader aynı sınıfta bile değil yani kıyas bile edilemez zaten g65. So after having 2 80 series, i thought it would be a good thing to socialize with fellow land cruiser owners. Conquista il tuo spazio, segui la passione! Land cruiser forum dedicated land cruiser discussion forum. The material contained in the forums is submitted by the general public and is not endorsed ...