Langsung ke konten utama

2006 Toyota Corolla Fuse Box : Fuse Box Toyota Corolla Fielder Nze121 2002 2006 Jamaica Auto Parts Express - Before the day of circuit breakers, when the power went off, you had to go to your fuse box.

2006 Toyota Corolla Fuse Box : Fuse Box Toyota Corolla Fielder Nze121 2002 2006 Jamaica Auto Parts Express - Before the day of circuit breakers, when the power went off, you had to go to your fuse box.. 1998 honda civic battery and fuse box relocation done by. Toyota corolla fuse boxes locations years 2002 to 2015. The wiring is merely a bit complicated. Four cylinder front wheel drive automatic 91,000 miles. 2006 vw jetta wiring diagram.

2006 vw jetta wiring diagram. Toyota corolla fuse boxes locations years 2002 to 2015. How is this page the top result for toyota corolla fuse box in. The only black box in any of your photos is the dead pedal, which is definitely not where the fuses are. Solved 2009 toyota corolla fuse diagram fixya.

Have A 20043 Toyota Corolla With A Ac Not Working When The Ac Is Turned On The Fans Come On But The Pump Is Kicking On I
Have A 20043 Toyota Corolla With A Ac Not Working When The Ac Is Turned On The Fans Come On But The Pump Is Kicking On I from ww2.justanswer.com
You will find the fuse box behind the coin pocket at the left side (not for uk models). Some components may have multiple. My radio, clock, side mirrors, outlet does not work on my 2006 corolla. The radio and clock went off at the same while driving. Skid control ecu with actuator. Where is the fuse located? If your corolla has many options like a sunroof, navigation, heated seats, etc, the more fuses it has. If your toyota corolla headlights or something else out of electrical system doesn't work, check the fusebox and if it is needed, make a replacement.

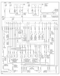
Toyota corolla 2006 fuse box diagram | 2004 toyota corolla:

Each fuse is going to have a suitable amp rating for those devices it's protecting. Skid control ecu with actuator. The radio and clock went off at the same while driving. There is also a fuse box located under the dash board driver's side which fuses for tail light, stop. My radio, clock, side mirrors, outlet does not work on my 2006 corolla. If your corolla has many options like a sunroof, navigation, heated seats, etc, the more fuses it has. I bought a used 2006 corolla that did not come with a cover for its in dash fuse box. Some components may have multiple. It can also be found within the service manual. 94 toyota corolla fuse box diagram. Fuse box toyota corolla e120. Solved 2009 toyota corolla fuse diagram fixya. 2006 corolla fuse diagram | wiring library.

2006 corolla fuse diagram | wiring library. You will find that every circuit has to have a load and. Some components may have multiple. Looking to maintain the top condition of your electrical system? Electrical components such as your map light, radio, heated seats, high.

06 13 Toyota Corolla E150 Eu Au Za Nz Fuse Diagram
06 13 Toyota Corolla E150 Eu Au Za Nz Fuse Diagram from fotohostingtv.ru
Solved 2009 toyota corolla fuse diagram fixya. I cannot get the car out of park without pressing the button that. Each fuse is going to have a suitable amp rating for those devices it's protecting. Fuse panel layout diagram parts: Then there's also a fuse box that's for the body controls that is situated under the dash. Skid control ecu with actuator. The fuse box diagram for a 2003 toyota corolla ce is located on the rear of the box cover. 2006 corolla fuse diagram | wiring library.

Some components may have multiple.

94 toyota corolla fuse box diagram. 2006 corolla fuse diagram | wiring library. Low profile blade fuses by littelfuse®. If your toyota corolla headlights or something else out of electrical system doesn't work, check the fusebox and if it is needed, make a replacement. 2001 corolla fuse box wiring diagram expert. There is also a fuse box located under the dash board driver's side which fuses for tail light, stop. 2006 toyota corolla wiring diagram. I bought a used 2006 corolla that did not come with a cover for its in dash fuse box. Each fuse is going to have a suitable amp rating for those devices it's protecting. Toyota corolla 2006 fuse box diagram | 2004 toyota corolla: Read online the maclomain series: Where is the fuse located? Open the coin pocket and then pull it off.

Where is the fuse located? The video above shows how to replace blown fuses in the interior fuse box of your 2006 toyota camry in addition to the fuse panel diagram location. Toyota corolla 2006 fuse box diagram | 2004 toyota corolla: Open the coin pocket and then pull it off. The donor vehicle for this item is a 2006 toyota corolla.

Toyota Corolla Xi E170 2013 2021 Fuse Box Diagrams Schemes Imgvehicle Com
Toyota Corolla Xi E170 2013 2021 Fuse Box Diagrams Schemes Imgvehicle Com from imgvehicle.com
Air ride switch box wiring diagram. It can also be found within the service manual. Toyota corolla 2006 fuse box diagram | 2004 toyota corolla: I have problem finding the fuse box on same car 2002 corolla. 1998 honda civic battery and fuse box relocation done by. Find many great new & used options and get the best deals for 01 toyota corolla fuse box at the best online prices at ebay! Fuse box toyota corolla e120. I cannot get the car out of park without pressing the button that.

If your toyota corolla headlights or something else out of electrical system doesn't work, check the fusebox and if it is needed, make a replacement.

Photos 88 (view all photos). Your owner's manual should show them. Open the coin pocket and then pull it off. 2006 toyota corolla wiring diagram. Air ride switch box wiring diagram. The radio and clock went off at the same while driving. I bought a used 2006 corolla that did not come with a cover for its in dash fuse box. Then there's also a fuse box that's for the body controls that is situated under the dash. Solved 2009 toyota corolla fuse diagram fixya. The donor vehicle for this item is a 2006 toyota corolla. Four cylinder front wheel drive automatic 91,000 miles. Electrical components such as your map light, radio, heated seats, high. Looking to maintain the top condition of your electrical system?

Komentar


Postingan populer dari blog ini

2011 Toyota Tundra Price Range / 2011 Toyota Tundra Review | CARFAX Vehicle Research / The history based value of a car takes into account the vehicle's condition, number of owners, service history, and other factors.

2011 Toyota Tundra Price Range / 2011 Toyota Tundra Review | CARFAX Vehicle Research / The history based value of a car takes into account the vehicle's condition, number of owners, service history, and other factors. . The 2011 toyota tundra's #6 ranking is based on its score within the 2011 full size pickup trucks category. Liability only $576 full coverage $1,254 These prices reflect the current national average retail price for 2011 toyota tundra trims at different mileages. Find a new toyota tundra at a toyota dealership near you, or build & price your own tundra online today. 2011 toyota tundra 4wd double cab 165 5.7l sr5 you are looking at this beautiful in excellent condition, 2011 toyota tundra sr5. Truecar has 101 used 2011 toyota tundras for sale nationwide, including a crewmax 5.5' bed flex fuel 5.7l v8 4wd and a double cab 6.5' bed flex fuel 5.7l v8 4wd.prices for 2011 toyota tundras currently range from to, with vehicle mileage r...

Lexus Is250 Widebody : Widebody Aimgain Lexus Is250 Ipad Case Skin By Aaronkrispp Redbubble : After all, perfect aerodynamics help keep a vehicle pressed against the pavement for more control and enjoyment at.

Lexus Is250 Widebody : Widebody Aimgain Lexus Is250 Ipad Case Skin By Aaronkrispp Redbubble : After all, perfect aerodynamics help keep a vehicle pressed against the pavement for more control and enjoyment at. . Shot the first ever clinched widebody lexus is250 in ontario! Outfitting your ride has never been easier. Spoiler for lexus is 220 250 350 isf trunk boot wing lip lid cover trim. Search new and used lexus is 250cs for sale near you. Performance cookies collect information about the performance of our website and how our website is used (e.g., basic site usage analytics, such as number of visits and time spent on the site). Spoiler for lexus is 220 250 350 isf trunk boot wing lip lid cover trim. Shot the first ever clinched widebody lexus is250 in ontario! Performance cookies collect information about the performance of our website and how our website is used (e.g., basic site usage analytics, such as number of visits and time spent on the site). 29 carbon te...

Toyota Land Cruiser Owners Forum - Land Cruiser 80 100 105 200 Series Owner Fan Club Toyota Pakwheels Forums - Also discuss the 4runner, fj cruiser, land cruiser & sequoia.

Toyota Land Cruiser Owners Forum - Land Cruiser 80 100 105 200 Series Owner Fan Club Toyota Pakwheels Forums - Also discuss the 4runner, fj cruiser, land cruiser & sequoia. . Aoa guys, after a long and extensive search on pakwheels forums, i came to the conclusion that all the land cruiser owner forums are dead with less than 50 replies. Promotion, restoration, and information for owners of fj45 series cruisers, including the fj45, fj45lv, etc. Ikincisi arazi kabiliyeti olarak land cruiser ile baş edebilecek bir full size alman suv yok şimdi çocuk gibi g63, g65 amg örneği veririsiniz ki onlar offroader aynı sınıfta bile değil yani kıyas bile edilemez zaten g65. So after having 2 80 series, i thought it would be a good thing to socialize with fellow land cruiser owners. Conquista il tuo spazio, segui la passione! Land cruiser forum dedicated land cruiser discussion forum. The material contained in the forums is submitted by the general public and is not endorsed ...